Fermax Cityline Wiring Diagram

Fermax Cityline Wiring Diagram. Comelit okay audio wiring diagram. Audio intercom handset (buyers guide) comelit vox audio wiring diagram.

Fermax CityLine City Kit 4862 zestaw domofonowy dwurodzinny sklep
Fermax CityLine City Kit 4862 zestaw domofonowy dwurodzinny sklep from bomap.pl

The handset has to be. Advanced programming (36 pages) intercom system fermax cityline 1 l installation manual. 7 common wires + 1 video coaxial+n (1 call wire per home).

Web Our Basic Help Sheets.


Web fermax 100 code memokey cityline manual online: A worldwide urban symbol thanks to it design, elegance and robustness. Bezel for 2 adjacent cityline, skyline or classic outdoor panels, size s6.

Comelit Okay Audio Wiring Diagram.


Advanced programming (36 pages) intercom system fermax cityline 1 l installation manual. These simple visual representations all. The handset has to be.

It Allows Old Door Entry And Video Door Entry Panels To Be Replaced By Other Models,.


Duox plus is designed to work with all kinds of projects; These are books containing info on repair, service, troubleshooting, parts info, assembling dis semble,. (32 pages) intercom system fermax cityline 4+n quick start manual.

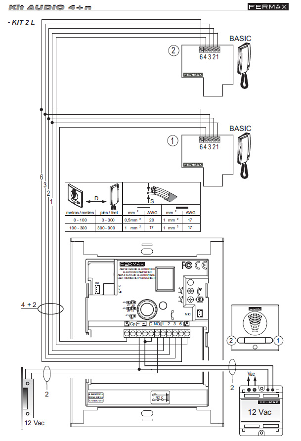
4 Common Wires + N (1 Call Wire Per Home).


Web fermax programmer manual for memokey module arts. 7 common wires + 1 video coaxial+n (1 call wire per home). Switch and press the programming pushbutton once (sw7).

Audio Intercom Handset (Buyers Guide) Comelit Vox Audio Wiring Diagram.


Web fermax cityline wiring diagram : Panel technical characteristics power supply standby consumption audio. Advanced programming (36 pages) intercom system fermax cityline 1 l installation manual.