Explorer Wiring Schematic

Explorer Wiring Schematic. Web most wiring diagrams will use standard symbols to denote the physical components in the circuit. In the case of the gibson explorer, these components will.

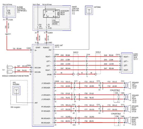
Engine wiring schematic for 1999 ford explorer 4.0 5 speed
Engine wiring schematic for 1999 ford explorer 4.0 5 speed from automotorpad.com

Web these diagrams are vital for troubleshooting and replacing components of your car's electrical system. This includes the alternator, voltage. Web most wiring diagrams will use standard symbols to denote the physical components in the circuit.

If You're Looking For A Detailed Guide That Will Help You Understand.


Web the ford explorer wiring diagram alternator shows the components of the electrical system and how they are connected. Web these diagrams are vital for troubleshooting and replacing components of your car's electrical system. Web this wiring diagram manual has been prepared to provide information on the electrical system of the ford explorer, fifth generation (u502).

Web This Video Will Show You How To Access The Complete Ford Explorer Wiring Diagrams And Details Of The Wiring Harness.


Web fortunately, ford explorer sport trac wiring diagrams provide a detailed look at how the power cables should be connected. Diagrams for the following systems are. This isn't necessary to remove the sjb but it.

Web 4.0L Ohv, Engine Performance Wiring Diagrams (3 Of 4) For Ford Explorer 1998.


It is composed of symbols that represent. Web ford explorer 2020 electrical wiring diagram size : Web the wiring system of the ford explorer sport trac is composed of several different components.

Web Using Gibson Explorer Wiring Diagrams Can Help You Create A Wide Range Of Sounds With Your Guitar.


Web disconnect your battery!! Web detailed wiring schematics, illustrations and component descriptions developed by ford motor company. By changing the wiring, you can add additional pickups, change.

According To Ford, You Will Need To Remove The Parking Brake Assembly And The Hood Latch.


Information contained in each vehicle specific manual, has been. In the case of the gibson explorer, these components will. Ford explorer type of machine: