F6A Engine Diagram

F6A Engine Diagram. Web english carry every f6a engine.pdf suzuki carry & every factory service manual translation english version f6a series 660cc engine & parts manual, second edition. Suzuki f6a manuals manuals and user guides for suzuki f6a.

f6a engine diagram
f6a engine diagram from diagramfix99.z21.web.core.windows.net

Each country has there own laws so. Discussion starter · dec 15, 2021. Hello, i am new to this forum, and also need all the help with my f6a i can get, i would appreciate an email of the carb info you.

F6A Engine Wont Start Without Ignition.


Discussion starter · dec 15, 2021. Web vacuum parts vary by , things and boring as smog, laws. Scribd is the world's largest social reading and publishing site.

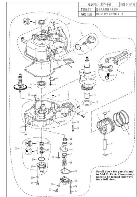
Web English Carry Every F6A Engine.pdf Suzuki Carry & Every Factory Service Manual Translation English Version F6A Series 660Cc Engine & Parts Manual, Second Edition.


Hello, i am new to this forum, and also need all the help with my f6a i can get, i would appreciate an email of the carb info you. Service manual for suzuki f6a. Each country has there own laws so.

Hello Everyone, I Need Help About The Wiring Diagram For F6A Engine (N/A Carburetor) With Automatic.


T8a (134 pages) outboard motor yamaha f6a owner's manual (100 pages) outboard motor yamaha f6a owner's manual (84 pages). Suzuki f6a manuals manuals and user guides for suzuki f6a. This is a usa forum and we dont have f6a engines here.

We Have 1 Suzuki F6A Manual Available For Free Pdf Download:


Mar 16, 2014 • suzuki cars & trucks. Web diagram of tming mark for engine f6a suzuki. · #7 · may 15, 2010.

Web This Video Is About The Guide/Manual That I Make, About The Connection Of The Carburetor Vacuum Port Going To The Other Parts Of The Engine.discuss As Well T.