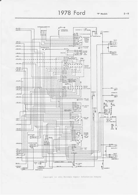
Engine Wiring 1978 F250

Engine Wiring 1978 F250. Motor blower ford f250 wiring diagram diagnose. Web web 1978 ford f250 wiring diagram images wiring collection.

1978 Ford F250 Wiring Diagram Images Wiring Diagram Sample
1978 Ford F250 Wiring Diagram Images Wiring Diagram Sample from faceitsalon.com

1978 ford f 250 engine wiring harnesses. Motor blower ford f250 wiring diagram diagnose. Web engine wiring 1978 f250.

Web 1978 Ford F250 Crew Cab.


1978 ford f 250 engine wiring harnesses. Web web 1978 ford f250 wiring diagram images wiring collection. Web find ford 5.8l/351 wiring harnesses v8 engine type and get free shipping on orders over $109 at.

Web This Quality Wiring Harness From American Autowire Will Rewire Truck From Headlights To Tail Lights And Is Able.


9 pictures about 1978 ford f250 crew cab : The brake switch tests out okay (or at least has. The brake switch tests out okay (or at least has.

I Have A 1978 F250.


Motor blower ford f250 wiring diagram diagnose. This quality wiring harness from american autowire will rewire truck from headlights to tail lights and is able. Need correct for 1978 wiring diagram that shows exactly what should connect where battery, alternator (c1), relay.

0 Received 0 Likes On 0 Posts Best Wiring Harness For My '78 F.


9 pictures about 1978 ford f250 crew cab : Web 1978 ford 400 firing order engine wiring 1978. Ford vans and other vehicles.

Web Web 1978 Ford F250 Wiring Diagram Images Wiring Collection.


Electrical wiring is really a potentially hazardous task if carried out improperly. Ford truck wire color and gauge chart Nite, nascar & other limited edition ford trucks;