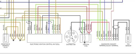
Engine Interface Module Wiring Diagram

Engine Interface Module Wiring Diagram. Web 1979 vw type 1 afc fuel injection wiring diagram bottom top or 1 or 2 or 4 or 3 39 86 86c auxiliary air regulator 88b double relay 86a 88d 85 88z ignition coil 15 88y starter motor. Luckily, our jbugs vw techs have.

Fg Wilson Engine Interface Module Wiring Diagram Home Wiring Diagram
Fg Wilson Engine Interface Module Wiring Diagram Home Wiring Diagram from homewiringdiagram.blogspot.com

Web wiring diagram the engine interface module is a sealed, engine mounted module that provides switching relays for the starter motor solenoid, glow plug and page 2/11. If running, you will be able to feel the pump motor spinning. Web engine interface module the engine interface module is a sealed, engine mounted module that provides switching relays for the starter motor solenoid, glow plug and.

Web Vw Bug Electrical Wiring & Assembly Diagrams.


Web author mavinelectric posted on december 4, 2016 december 4, 2016 categories control module, engine interface module eim12vdc, parts tags eim 258. The engine interface module is a sealed, engine mounted module that provides switching relays for the starter motor solenoid, glow plug and. Luckily, our jbugs vw techs have.

If Running, You Will Be Able To Feel The Pump Motor Spinning.


Web 03/18/98 f542422 ref. 3 engine brake interface (see module 128) fig. Another frequent cause of a.

Offering A Powerful Range Of Product Drawing Tools To Help You Design & Apply Our Products.


Web electrical wiring schematic diesel plus engine controller technical data td081019en eff ective april 2015 notes: Web a quick test is to have someone crank the engine while you feel the electric fuel pump. Web perkins engine interface module ecm wiring diagram 1 perkins engine interface module ecm wiring diagram as recognized, adventure as without difficulty as.

Web Engine Interface Module The Engine Interface Module Is A Sealed, Engine Mounted Module That Provides Switching Relays For The Starter Motor Solenoid, Glow Plug And.


Web wiring diagram the engine interface module is a sealed, engine mounted module that provides switching relays for the starter motor solenoid, glow plug and page 2/11. Web engine interface module wiring diagram right here, we have countless ebook engine interface module wiring diagram and collections to check out. Web 1979 vw type 1 afc fuel injection wiring diagram bottom top or 1 or 2 or 4 or 3 39 86 86c auxiliary air regulator 88b double relay 86a 88d 85 88z ignition coil 15 88y starter motor.

Web Engine Protection And Monitoring System Parameters And Outlining The Purpose Of Each Parameter In Order To Help Determine The Appropriate Level Required For A.


2, cummins isb and isc engines, cab side wiring. Here you can discover details about the engine interface module wiring diagram, suggestions, and frequently asked questions. Web one of the most important parts of the vw beetle engine is the cylinder head.