Fermax Intercom Wiring Diagram

Fermax Intercom Wiring Diagram. Duox plus is designed to work with all kinds of projects; Web fermax 8044 manual (64 pages) general information about door phone and video door phone systems.

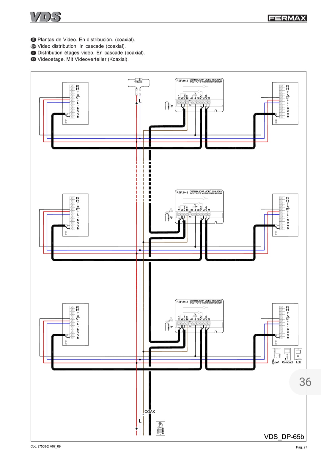
Fermax Vds Wiring Diagram Total Wiring
Fermax Vds Wiring Diagram Total Wiring from total-wiring.blogspot.com

User manuals, fermax intercom system operating guides and service manuals. Electronic door entry and video door entry systems. Web outdoor panel installation (2 pages) intercom system fermax audio 4+n kit series manual.

Duox Plus Is Designed To Work With All Kinds Of Projects;


7 accesses maximum and guard unit. Web here is a picture gallery about fermax intercom wiring diagram complete with the description of the image, please find the image you need. Web video door entry systems.

User Manuals, Fermax Intercom System Operating Guides And Service Manuals.


In addition to the standard functions of an. Fermax intercom system wiring diagram fermax handset wiring in fermax intercom wiring diagram, image size 894 x 738 px, and to view image details. Web download 363 fermax intercom system pdf manuals.

Web Fermax 8044 Manual (64 Pages) General Information About Door Phone And Video Door Phone Systems.


7 common wires + 1 video coaxial+n (1 call wire per home). 4 common wires + n (1 call wire per home). Web we have a massive range of fermax products on our site, from video door entry systems to audio intercoms and access control, we also have a huge range of install manuals and.

(*) Important Set Up A 10Kohms Resistance Between The + And L Terminals On The.


Electronic door entry and video door entry systems. Web outdoor panel installation (2 pages) intercom system fermax audio 4+n kit series manual. Web comprehensive information for audio intercom installation details

Fermax Citymax 8044 Basic Terminals 1 Lock 2 Speech Out (Mic) 3 Common 6 Speech In (Speaker) 4 Call Important Note :.


Web view online (40 pages) or download pdf (7 mb) fermax 4 plus n owner's manual • 4 plus n door intercom systems pdf manual download and more fermax online. If you need to install or repair a fermax intercom system, then you will need to. (13 pages) intercom system fermax 4+n marine series installer manual.