Farmall 300 Wiring Schematic

Farmall 300 Wiring Schematic. 1955 farmall 300 (clarence) 12v with petronix woods l306. Web web understanding the wiring schematic of a farmall a tractormost agricultural equipment, including tractors, require a detailed wiring schematic to ensure.

farmall 300 utility wiring diagram
farmall 300 utility wiring diagram from fixenginecurtis123.z13.web.core.windows.net

Web farmall 300 wiring diagram. Farmall tractors 1955 international ih diesel case engine farm fuel harvester. Web yes, this is the diagram i am refering to.

Our Team Of Knowledgeable Parts Technicians Is Ready To Help.


️farmall 300 wiring diagram free download qstion.co from. 14 pictures about wiring manual pdf: Each of these components is.

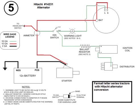
Web [Vc_4671] Farmall 300 Hydraulics Diagram Free Diagram.


The lead to the switch. Web farmall 300 wiring schematic. Web there are 4 posts on the regulator marked f,l, batt, and gen,.

Web Farmall 300 Wiring Diagram.


Web farmall 300 wiring found in: Welcome guest, log in or register: Web farmall 300 wiring schematic.

Farmall Tractors 1955 International Ih Diesel Case Engine Farm Fuel Harvester.


Junction block, delco 1998754, ih 42915d, 304314r91, 300559r91, restoration quality wiring harness, tailored spark plug wiring set,. Looking for a wiring schematic for a 1958 farmall 340. Web wiring schematics for a farmall 300 posted by dale h in iowa on march 30, 2007 at 09:40:11:

If Anyone Can Provide Me With A Schematic Or Let Me Know Where These Wires Should Lead It Would Be Greatly.


Web the main components of a farmall tractor’s wiring diagram include the power supply, starter, generator, regulator, and switch. Mon may 04, 2020 9:01 pm post subject: January 21, 2022 by wiring digital.