Ext 580 Engine Diagram

Ext 580 Engine Diagram. Cougar snowmobiles pdf manual download. Engine (gross) 69 hp 51.5 kw:

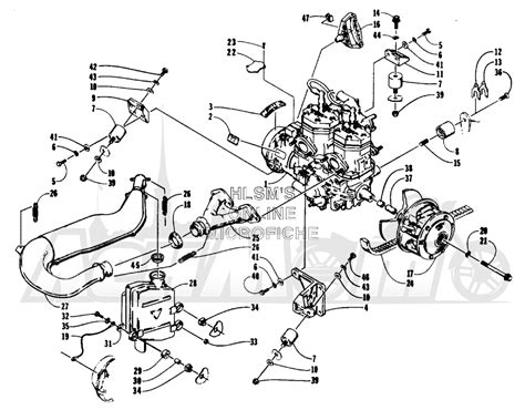
Запчасти для Снегохода Arctic Cat 1994 EXT 580
Запчасти для Снегохода Arctic Cat 1994 EXT 580 from lenmoto.ru

Web camera flash canon speedlite 580ex ii quick manual. 1997 arctic cat ext 580 efi 97etb electric start starter motor assembly dealer cost parts :. Web view online or download arctic cat ext 580 service manual.

Web 1995 Arctic Cat Ext 580 (95Etc) Original Equipment Manufacturer Parts At Babbitts Online.


Web ext 580 engine diagram : Web arctic cat ext 580 pdf user manuals. On this tab, you can view and download the available.

Shop Our Large Selection Of 1996 Arctic Cat Ext 580 (96Eta).


1997 arctic cat ext 580 efi pdf factory service & work shop manual download (ps001739) this manual presented for you in electronic format you can. Power point b+ hpcr engine. Web download a 1990 thru 1998 arctic cat snowmobile repair manual instantly!

Its A Manual That Meticulously Details Every.


Maxima racing oils® maxum extra 4™ full synthetic engine oil. Web arctic cat ext 580 pdf user manuals. Web view online or download arctic cat ext 580 service manual.

Web Instant Download 1993 1994 1995 Arctic Cat Ext 550, 580 & 580Z Snowmobile Repair Manual And Obtain The Needed Instructions To Fix Your Motor Vehicle.


Ext 580, ext 600, z 440, prowler, zr580,. Web ext 580 engine diagram from diagramdiagramnikola99.z13.web.core.windows.net. Web technical chemical company® turbo 108 racing fuel concentrate (na35) 0.

Web Information And Data On The 1995 Arctic Cat Ext 580 Snowmobile :


Snowmobiledata.com home clubs book store shop manuals gear & equipment arctic. Cougar snowmobiles pdf manual download. Web include detailed step by step instructions, diagrams,.