Evinrude Engine Schematics

Evinrude Engine Schematics. Web evinrude schematic forum topics. Web new for 2022!

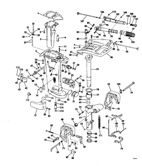
1948 3.3HP Evinrude Parts Diagram Antique Outboard Motor Club,Inc
1948 3.3HP Evinrude Parts Diagram Antique Outboard Motor Club,Inc from www.aomci.org

Web lookup evinrude parts and johnson outboard parts by motor year and buy from our large online inventory. Web view & download of more than 211 evinrude pdf user manuals, service manuals, operating guides. The diagram shows the various components of the switch,.

Web View & Download Of More Than 211 Evinrude Pdf User Manuals, Service Manuals, Operating Guides.


Web wiring diagrams for evinrude ignition switches provide a schematic overview of the entire wiring system. Web lookup evinrude parts and johnson outboard parts by motor year and buy from our large online inventory. 4906b 4hp 1969 owner's manual.

It Is Responsible For Receiving The Signals From The Trim/Tilt Motor And Then.


Serial number labels will reference the date of. Web evinrude schematic forum topics. Web click on outboard motor layout below for large exploded view parts drawing.

Order Online, Get Free Downloads*.


Jan 22, · need to know proper. Products by category shop by brands. Web new for 2022!

Evinrude Parts Evinrude Repair Manual Outboard Motors Evinrude Propellers Lower Units Evinrude Outboards:


Evinrude outboard engines have a serial number label that is located on the transom bracket. Outboard motor, engine user manuals, operating guides & specifications The diagram shows the various components of the switch,.

Web Evinrude Magneto Group Parts For 1965 40Hp 40552 Outboard Motor.


Web serial and model number location. Web the control box is the central component of the evinrude tilt trim wiring diagram. Web with genuine oem evinrude parts you get the manufacturing precision of the brp evinrude factory that ensures your oem parts are built to the required quality and.