Engineering Logic Diagram

Engineering Logic Diagram. Web open an electrical engineering diagram maker on the file menu, point to new, select engineering, and then click one of the followings: Web rich collection of engineering diagram templates and examples.

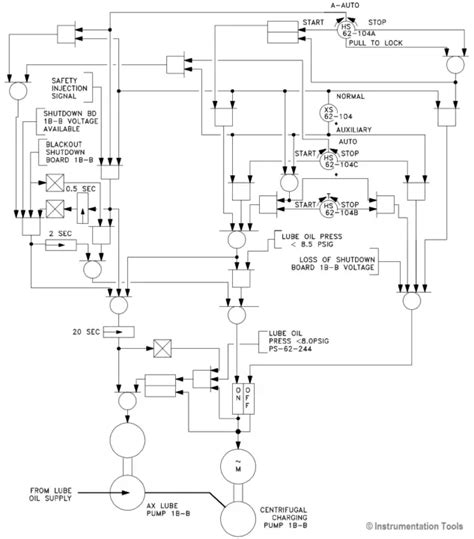
Logic diagram representing the PermaFix process system to treat
Logic diagram representing the PermaFix process system to treat from www.researchgate.net

Web metrics logic diagrams are employed in electrical engineering for visualizing switching circuits. Web logic diagrams are presented for the design of pneumatic conveying systems based on the use of both mathematical models and conveying data. Determine how many lead wires your motor has 4, 6, or 8 wires.

Web The Best Way To Understand Wiring Diagrams Is To Look At Some Examples Of Wiring Diagrams.


Create your engineering diagrams with online engineering diagram software. When read along with its corresponding truth table, the precise result can. Web google classroom computers often chain logic gates together, by taking the output from one gate and using it as the input to another gate.

This Is A Hierarchy Of Initiating Events Illustrating The Various Manners In Which A Damage Result Might Occur.


It is a usual (although not universal) convention that schematic drawings are organized on the page from left to right and top to bottom in the same sequence as the flow of the main signal or power path. When drawing circuits and logic diagram, you can simply drag and drop the circuits and logic symbols you like on. Web by following a series of easy steps, the below charts can be used to properly connect your motor to your drive.

However, Their Utility And Applicability Extend Far Beyond The Technical.


English deutsch français español português italiano român nederlands latina dansk svenska norsk. Web engineering logic diagrams this chapter will review the symbols and conventions used on logic diagrams. Determine how many lead wires your motor has 4, 6, or 8 wires.

Cmos Diagram Of A Not Gate, Also Known As An Inverter.


There is a compilation of functional. Web metrics logic diagrams are employed in electrical engineering for visualizing switching circuits. We'll go over all of the fundamental schematic symbols:

Web Feature Highlights Powerful Online Diagram Software To Draw Quality Diagrams With Ease.


Web master logic diagram (mld): Positive power supply connections for each stage would be shown towards the top of the page, with grounds, negative supplies, or oth… Web i read the original requests as the op wanting some reasonable search terms (for googling, for instance) to find schematic diagrams of circuits that implement logic.