Engine Wiring For 1981 Gmc

Engine Wiring For 1981 Gmc. Web classic industries offers a wide selection of electrical & wiring for your 1981 gmc truck. Web engine wiring for 1981 gmc.

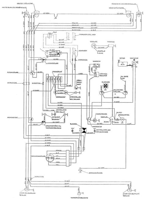
1981 Gmc Truck Wiring Diagram
1981 Gmc Truck Wiring Diagram from diagramwiringwalter88.z21.web.core.windows.net

You may need to locate a specific color wire and. Web classic industries offers a wide selection of 1981 gmc truck parts, including 1981 gmc truck interior parts and soft trim, 1981 gmc truck exterior sheet metal, 1981 gmc truck moldings, 1981 gmc truck emblems, 1981 gmc truck weatherstrip and unique. Need wiring diagram for an 85 chevy c30 siverado truck geo metro forum.

With Oil Pressure Switch Down On Side Of Block.


Classic industries offers 1981 gmc truck harnesses. Expect order delays due to high volumes & local restrictions. Click the picture to download.

Web Web Engine Wiring Harness, 1981 Chevy Gmc/ Truck.


Web factory reproduction of the original engine wiring harness. Click the picture to download. Classic industries offers 1981 gmc truck harnesses.

Wiring Diagrams Are Not Included With Reproduction Harnesses.


Web engine wiring for 1981 gmc. Vehicle/engine search vehicle/engine search make/model search 1969 all makes models parts 14518 gmc truck full colored wiring diagram classic industries.

Web Looking For Wiring Diagrams 82 Gmc 1500 Gm Truck Club Forum.


Jimmy 2wd 1975 gmc jimmy 2wd 1976 gmc jimmy 2wd 1977 gmc jimmy 2wd 1978 gmc jimmy 2wd. All diagrams use factory colors including tracers whe. 1981 fullsize chevy & gmc truck engine harness, v8, 305, 350,c.i.,.

Available For Stock And Hei Ignition.


Web web engine wiring for 1981 gmc click the picture to download. Web google the wiring diagram 1995 gmc sierra electric windows i found several systems offering what you require. Web classic industries offers a wide selection of electrical & wiring for your 1981 gmc truck.