Engine Wiring 1987 Dodge

Engine Wiring 1987 Dodge. Click the “view more” button, and then click “vehicle repair guides.” select the chapter ” wiring diagrams. Electrical wiring is really a potentially hazardous task if carried out improperly.

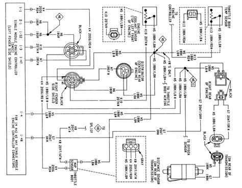
I would appreciate some help on a 1987 dodge raider, 4 cyl.2.6 engine
I would appreciate some help on a 1987 dodge raider, 4 cyl.2.6 engine from www.justanswer.com

You may need to locate a specific color wire and its exact location. 1987 dodge ramcharger wiring diagram pictures. The igntion switch feeds the this resistor.

I'd Help You Out With The Diagrams If I Were Home.


Apples and oranges different (huge difference) the 4.2 liter gets power from a ballast resistor. Web the 1987 dodge d150 ignition wiring diagram gives you a comprehensive overview of the entire. Web add your vehicle in manage my vehicles.

Web June 23, 2020.


Classic industries offers 1987 dodge dakota harnesses. Web find 1987 dodge d150 electrical wiring and get free shipping on orders over $109 at summit racing! Web get discount prices, fast shipping and ultimate product help when shopping for 1987 dodge d100 engine wiring harness at 4 wheel parts.

Web The 1987 Dodge D150 Ignition Wiring Diagram Is An Essential Reference Guide For Any Automotive Mechanic Or Enthusiast.


1987 dodge ramcharger wiring diagram pictures. Web oer parts offers a wide selection of harnesses for your 1987 dodge dakota. Oer parts offers 1987 dodge dakota front lamp harnesses, 1987 dodge dakota engine wiring.

Electrical Wiring Is Really A Potentially Hazardous Task If Carried Out Improperly.


It has a 318 auto ,previous owner has cut several wires. The best online destination and local. Web moparpartsgiant.com offers the wholesale prices for genuine 1987 dodge ram 50 parts.parts like.

This Diagram Provides Both Detailed.


If nobody helps you out with the diagram, maybe you can post. Click the “view more” button, and then click “vehicle repair guides.” select the chapter ” wiring diagrams. Web classic industries offers a wide selection of electrical & wiring for your 1987 dodge dakota.