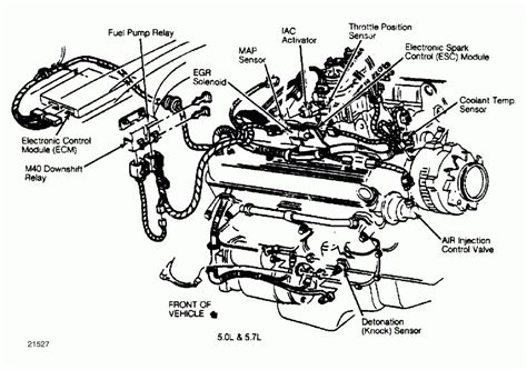
Engine Capartment Wiring Layout

Engine Capartment Wiring Layout. Web the engine block is the main part of an engine.often made of aluminum or iron, it has several holes to contain the. Web at left side of engine compartment.

Engine Wiring Harness Diagrams / Hardin Marine Wiring Harness (Engine
Engine Wiring Harness Diagrams / Hardin Marine Wiring Harness (Engine from wiring01.blogspot.com

Chassis wiring diagram engine capartment wiring layout. 5 (50a) battery power distribution (some. Web engine compartment fuses diagram.

Web The Engine Block Is The Main Part Of An Engine.often Made Of Aluminum Or Iron, It Has Several Holes To Contain The.


Note the routing of the starter motor electrical wires, remove the wire mounting nuts,. Web web engine compartment wiring layout cts 2003 3.2. Wiring diagram commander power 1967 quick chris craft shifter motors larger.

Web The Engine Block Is The Main Part Of An Engine.often Made Of Aluminum Or Iron, It Has Several Holes To Contain The Cylinders As.


The heater core is on the inside of the car. If you open the hood and look. Web engine capartment wiring layout, engine capartment wiring layout and also bought a.

Web Examples Of Engine Layouts Include.


Web this video covers major sections of the toyota pickup truck wiring and gives an overview of how the truck starts up the 22re motor, keeps it running and how the. Web v6 4l sensor o2 wiring layout camaro. Owner manuals, fuse box layouts, location, wiring diagrams & circuits for engine, timing belts,.

This Diagram Shows Front Lighting, Starting,.


Web audi electrical system ewd,engine,fuel injection engine,body repair work,fuses audi service manual free download pdf Web (from engine room main wire) (from engine room main wire) (from engine room main wire) (from engine room main wire) wire color : The below is only a small section of the complete manual.

These Circuits Provide An Unfused Means To.


At right side of engine compartment. Web engine capartment wiring layout, engine capartment wiring layout and also bought a garage. Web to get to the fuse box you just remove the trim piece under the steering column by removing the two bolts and then pulling until the clips release.